咨询电话
13924666952
400-158-1606

运动控制精度0.1mm;
单个轴功率覆盖范围:100W~750W;
4.3"LCD,中英文显示,人机界面友好;
运动控制与伺服控制集于一身,缩减连线,降低整机成本;
系统响应速度更快,动作控制精度更高;
预置针对不同工艺的多种控制模板;
丰富的保护功能,自动检测机器运行状态,及时显示故障报警及原因,确保长期安全稳定运行;
U盘升级:可随时更新系统,持续取得稳定支持;
支持注册功能。
产品概述
皇冠crown(中国)注塑驱控一体机械手控制系统,集成主控单元(逻辑+运动控制),整流单元,驱动单元,IO单元,可适配1~2轴,100w~750w电机功率段的应用场合。该系统采用单芯片架构方案,高性能ARM处理器,伺服驱动部分采用业界高性能硬体,最大限度增益免调整,具有陷波器,末端震动抑制等高级功能。丰富的扩展通讯接口,可灵活配合其它生产辅助设备使用。
产品特点
(1)运动控制精度0.1mm;
(2)单个轴功率覆盖范围:100W~750W;
(3)4.3"LCD,中英文显示,人机界面友好;
(4)运动控制与伺服控制集于一身,缩减连线,降低整机成本;
(5)系统响应速度更快,动作控制精度更高;
(6)预置针对不同工艺的多种控制模板;
(7)丰富的保护功能,自动检测机器运行状态,及时显示故障报警及原因,确保长期安全稳定运行;
(8)U盘升级:可随时更新系统,持续取得稳定支持;
(9)支持注册功能。
产品应用
产品可广泛适用在注塑取出、高精度模内嵌件、高速取出、模内贴标等注塑机械手行业应用。


注意:如果配刹车电机,需配一个单路电源单独供电。
主控尺寸图:

安装方式 | 螺丝规格 | 螺丝长度(max) | 安装扭矩(max) |
螺丝固定 | M5 | 8mm | 7.5kgf.cm |
手控器尺寸图:

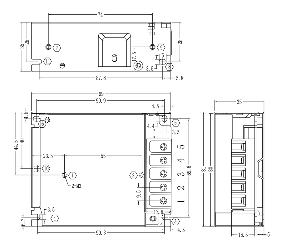
单路开关电源安装尺寸及接线

注:用户自行评估电源规格是否满足IO电流
安装方式 | 安装位号 | 螺丝规格 | 螺丝长度(max) | 安装扭矩(max) |
螺丝固定 | ①--② ⑦--⑨ | M3 | 5mm | 6.5kgf.cm |
③--⑥
| M3 | 3mm | 7kgf.cm |
电动调位板尺寸图:

产品安全认证——CE认证报告

版权所有 © 深圳市皇冠crown(中国)工业控制股份有限公司 未经许可不得复制、转载或摘编,违者必究 版权声明
Copyright © Shenzhen Huacheng Industrial Control Co., Ltd. All Rights Reserved.
网站ICP备案号: 粤ICP备19106162号
技术支持:新新网络