咨询电话
13924666952
400-158-1606

可支持扩展1~8轴;
专利外观结构,轴数灵活搭配;
32路标准输入,32路标准输出。可增配一块IO板;
支持增量和绝对值电机;
功率覆盖100W-1800W;
总线式架构。
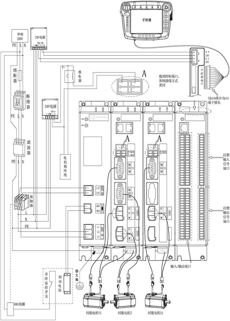
EC系列驱控一体注塑机械手控制系统,皇冠crown(中国)自主研发的EtherCAT总线型运动控制系统,根据注塑机机械手取出和埋入应用而开发的,内置有专有锁模安全电路,配合软件逻辑,做到双重锁模安全防护。人机界面符合注塑机生产工艺特性,直观清晰,灵活示教。有专用注塑机的IO交互接口,可选配EU67标准注塑机信号板卡【兼容EU12】桁架式机械手专用运动控制算法,精度可达到0.01mm。
产品特点
1. 可支持扩展1~8轴;
2. 专利外观结构,轴数灵活搭配;
3. 32路标准输入,32路标准输出。可增配一块IO板;
4. 支持增量和绝对值电机;
5. 功率覆盖100W-1800W;
6. 总线式架构。
产品参数
型号 | EC-S3 |
应用范围 | 注塑取出行业、高精度模内嵌件行业、高速取出、模内贴标注塑行业 |
规格尺寸 | 长*宽*高(mm):249.4*201.1*192 |
重量 | 5.36KG |
额定电压 | AC220V |
通信 | EtherCAT、485通信 |
控制 | 位置控制 |
I/O | 32路输入32路输出 |

注意:用户需要自行评估IO电源是否超出标配50W,如超出,则需要自行更换大功率电源。
主控尺寸图:

安装方式 | 螺丝规格 | 螺丝长度(max) | 安装扭矩(max) |
螺丝固定 | M5 | 8mm | 7.5kgf.cm |
手控器尺寸图:

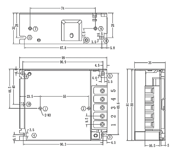
单路开关电源图:

安装方式 | 安装位号 | 螺丝规格 | 螺丝长度(max) | 安装扭矩(max) |
螺丝固定 | ①--② ⑦--⑨ | M3 | 5mm | 6.5kgf.cm |
③--⑥ ⑩--⑫ | M3 | 3mm | 7kgf.cm |
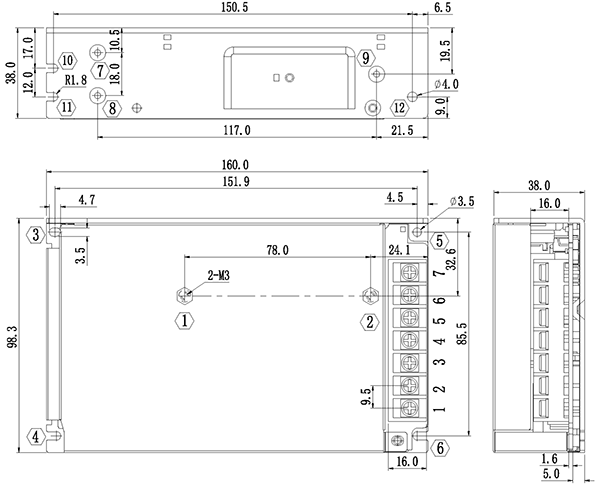
双路开关电源图:

安装方式 | 安装位号 | 螺丝规格 | 螺丝长度(max) | 安装扭矩(max) |
螺丝固定 | ①--② ⑦--⑨ | M3 | 5mm | 6.5kgf.cm |
③--⑥ ⑩--⑫ | M3 | 3mm | 7kgf.cm |
制动电阻尺寸图:

型号 | 25℃-40℃额定功率(W) | 外形尺寸(mm) | 阻值范围 | ||||||
电阻体 | |||||||||
A±1.0 | B±1.0 | C±1.0 | D±1.0 | E±0.5 | F | G±1.0 | 0.1~20K | ||
RXLG | 200 | 165 | 147 | 30 | 60 | 5.6 | 45° | 119 | |
产品安全认证——CE认证报告

版权所有 © 深圳市皇冠crown(中国)工业控制股份有限公司 未经许可不得复制、转载或摘编,违者必究 版权声明
Copyright © Shenzhen Huacheng Industrial Control Co., Ltd. All Rights Reserved.
网站ICP备案号: 粤ICP备19106162号
技术支持:新新网络